15
公示公告
/col/col5264/index.html
首页
>
公示公告
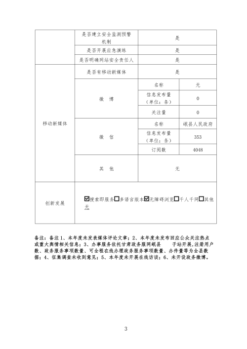
定西市岷县2025年政府网站工作年度报表
发布时间:2026-01-19 15:39 来源:岷县人民政府办公室
责任编辑 : 岷县管理员
Produced By 大汉网络 大汉版通发布系统